BQ41法蘭連接浮動軟(硬)密封保溫球閥

浮動保溫球閥采用單斜面彈性密封圈或V型槽彈性密封圈結構設計,當介質壓力較小時,密封圈與球體的接觸面較小,故有較大的密封比壓,確保可靠密封,介質壓力圈套時,密封圈與球體接觸面積增大,故密封圈能承較大的介質推力而不會損壞,由于聚四氟己等密封圈材料具有良好的的自潤滑性,與球體的摩擦損小,故球的使用壽命長。
主要技術參數
主要零 件 | 閥體 | WCB | ZG1Cr18Ni9Ti | CF8(304) | CF8(304L) | ZG1Cr18Ni 12Mo2(316) | 0Cr17Ni 12Mo2(316) | 00Cr17Ni 14MO2(316L) | ||||
球體、閥桿 | 2Cr13 | 1Cr18Ni9Ti | 0Cr18Ni9 (304) | 00Cr18Ni11 (304L) | 1Cr18Ni 12Mo2Ti | 0Cr17Ni 12Mo2(316) | 00Cr17Ni 14Mo2(316L) | |||||
密封圈 | 聚四氟己烯 對位聚苯 PTFE、PPL | |||||||||||
填料、墊圈 | V型聚四氟己烯、柔性石墨環、聚四氟己烯片、柔性石墨纏繞墊 | |||||||||||
適用工況 | 適用介質 | 水、蒸汽、油品等 | 硝酸等腐蝕性 | 強氧化性介質 | 醋酸等腐蝕性介質 | 尿素等腐蝕性介質 | ||||||
適用溫度 | -28℃~300℃ | |||||||||||
應用規范 | 設計制造按 | GB12237-89 API6D JPI7S-48 | ||||||||||
法蘭尺寸按 | JB79-59、SH3406、GB9113、HC20592-97 ANSI B16.5 JPI B2212-2214 | |||||||||||
結構長度按 | GB12221-89 ANHSI B16.10 JPI B2002 | |||||||||||
檢驗試驗按 | GB/T13927-89 JB/T9092-99 API 598 | |||||||||||
主要零 件 | 閥體 | WCB | ZG1Cr18Ni9Ti | CF8(304) | CF8(304L) | ZG1Cr18Ni 12Mo2(316) | 0Cr17Ni 12Mo2(316) | 00Cr17Ni 14MO2(316L) | |||||
球體、閥桿 | 2Cr13 | 1Cr18Ni9Ti | 0Cr18Ni9 (304) | 00Cr18Ni11 (304L) | 1Cr18Ni 12Mo2Ti | 0Cr17Ni 12Mo2(316) | 00Cr17Ni 14Mo2(316L) | ||||||
密封圈 | 聚四氟己烯 對位聚苯 PTFE、PPL | ||||||||||||
填料、墊圈 | V型聚四氟己烯、柔性石墨環、聚四氟己烯片、柔性石墨纏繞墊 | ||||||||||||
適用工況 | 適用介質 | 水、蒸汽、油品等 | 硝酸等腐蝕性 | 強氧化性介質 | 醋酸等腐蝕性介質 | 尿素等腐蝕性介質 | |||||||
適用溫度 | -28℃~400℃ | -28~500℃ | |||||||||||
應用規范 | 設計制造按 | GB12237-89 API6D JPI7S-48 | |||||||||||
法蘭尺寸按 | JB79-59、SH3406、GB9113、HC20592-97 ANSI B16.5 JPI B2212-2214 | ||||||||||||
結構長度按 | GB12221-89 ANHSI B16.10 JPI B2002 | ||||||||||||
檢驗試驗按 | GB/T13927-89 JB/T9092-99 API 598 | ||||||||||||
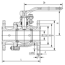
BQ41軟(硬)密封球閥主要連接尺寸(GB規格)
BQ41-16尺寸數據
型號 | 公稱通徑 DN(mm) | 尺寸(mm) | |||||||
L | D | D1 | D2 | B-f | Z-Φd | H | D0 | ||
15 | 130 | 95 | 65 | 45 | 14-2 | 4-Φ14 | 60 | 108 | |
20 | 140 | 105 | 75 | 55 | 14-2 | 4-Φ14 | 64 | 120 | |
25 | 150 | 115 | 85 | 65 | 16-2 | 4-Φ14 | 90 | 165 | |
32 | 165 | 135 | 100 | 78 | 18-2 | 4-Φ18 | 105 | 180 | |
40 | 180 | 145 | 110 | 85 | 16-3 | 4-Φ18 | 150 | 240 | |
50 | 200 | 160 | 125 | 100 | 16-3 | 4-Φ18 | 190 | 240 | |
65 | 220 | 180 | 145 | 120 | 18-3 | 4-Φ18 | 195 | 320 | |
80 | 250 | 195 | 160 | 135 | 20-3 | 8-Φ18 | 215 | 350 | |
100 | 280 | 215 | 180 | 155 | 20-3 | 8-Φ18 | 250 | 400 | |
125 | 320 | 245 | 210 | 185 | 22-3 | 8-Φ18 | 280 | 500 | |
150 | 360 | 280 | 240 | 210 | 24-3 | 8-Φ23 | 320 | 600 | |
200 | 400 | 335 | 295 | 265 | 26-3 | 12-Φ23 | 370 | 800 | |
BQ41-25尺寸數據
型號 | 公稱通徑 DN(mm) | 尺寸(mm) | |||||||
L | D | D1 | D2 | B-f | Z-Φd | H | D0 | ||
15 | 130 | 95 | 65 | 45 | 14-2 | 4-Φ14 | 60 | 108 | |
20 | 140 | 105 | 75 | 55 | 14-2 | 4-Φ14 | 64 | 120 | |
25 | 150 | 115 | 85 | 65 | 16-2 | 4-Φ14 | 90 | 165 | |
32 | 165 | 135 | 100 | 78 | 18-2 | 4-Φ18 | 105 | 180 | |
40 | 180 | 145 | 110 | 85 | 16-3 | 4-Φ18 | 160 | 240 | |
50 | 200 | 160 | 125 | 100 | 20-3 | 4-Φ18 | 205 | 270 | |
65 | 220 | 180 | 145 | 120 | 22-3 | 8-Φ18 | 215 | 350 | |
80 | 250 | 195 | 160 | 135 | 22-3 | 8-Φ18 | 230 | 400 | |
100 | 280 | 230 | 190 | 160 | 24-3 | 8-Φ23 | 270 | 500 | |
125 | 320 | 270 | 220 | 188 | 28-3 | 8-Φ25 | 300 | 600 | |
150 | 360 | 300 | 250 | 218 | 30-3 | 8-Φ25 | 340 | 900 | |
200 | 400 | 360 | 310 | 278 | 34-3 | 12-Φ25 | 400 | 1100 | |
BQ41-40尺寸數據
型號 | 公稱通徑 DN(mm) | 尺寸(mm) | |||||||
L | D | D1 | D2 | D6 | B-f | Z-Φd | H | ||
15 | 130 | 95 | 65 | 45 | 40 | 16-2 | 4-Φ14 | 60 | |
20 | 140 | 105 | 75 | 55 | 51 | 16-2 | 4-Φ14 | 65 | |
25 | 150 | 115 | 85 | 65 | 58 | 18-2 | 4-Φ14 | 90 | |
32 | 165 | 135 | 100 | 78 | 66 | 20-3 | 4-Φ18 | 105 | |
40 | 180 | 145 | 110 | 85 | 76 | 18-3 | 4-Φ18 | 170 | |
50 | 200 | 160 | 125 | 100 | 88 | 20-3 | 4-Φ18 | 230 | |
65 | 220 | 180 | 145 | 120 | 110 | 22-3 | 8-Φ18 | 250 | |
80 | 250 | 195 | 160 | 135 | 121 | 22-3 | 8-Φ18 | 250 | |
100 | 280 | 230 | 190 | 160 | 150 | 24-3 | 8-Φ23 | 295 | |
125 | 320 | 270 | 220 | 188 | 176 | 28-3 | 8-Φ25 | 330 | |
150 | 360 | 300 | 250 | 218 | 204 | 30-3 | 8-Φ25 | 375 | |
200 | 400 | 375 | 320 | 282 | 260 | 38-3 | 12-Φ30 | 440 | |