D671N氣動軟密封蝶閥

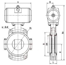
D671N氣動軟密封蝶閥產品圖 D671N氣動軟密封蝶閥外形尺寸圖
用途及特點
尼龍環保防腐蝶閥,不僅具有優良的防腐、(耐堿、鹽性能,耐弱酸侵蝕)耐磨、減磨性能,(比普通蝶閥使用壽命可明顯延長)而且具有無毒、抗菌、防霉等特點,更有操作力矩小,(比普通有銷蝶閥降低百分之四十)維修方便,外形美觀等突出優點。其主要特點為:
1、采用尼龍無銷,保證了介質與金屬完全隔離,提高了產品的可靠性。
2、密封面耐磨性好(尼龍耐磨性是銅的七倍)
3、可以任何位置安裝,維修方便。
4、密封件可以更換,密封性能可靠達到雙向密封零泄漏。
5、尼龍材料無任何毒性,并且抗菌、抗霉。產品價格是不銹鋼閥門的三分之一。
采用標準
設計標準 | 法蘭連接尺寸 | 結構長度 | 壓力試驗 |
GB/T2238-1989 | GB/T9113.1-2000;GB/T9115.1-2000;JB78 | GB/T12221-1989 | GB/T13927-1992;JB/T9092-1999 |
執行機構采用新型系列GT型氣動執行器,有雙作用式和單作用式(彈簧復位),齒輪傳動,安全可靠;大口徑閥門采用系列AW型氣動執行器拔叉式傳動,結構合理,輸出扭矩大,有雙作用式和單作用式。
1、齒輪式雙活塞,輸出力矩大,體積小。
2、氣缸選用鋁金材料,重量輕、外形美觀。
3、可在頂部、底部安裝手動操作機構。
4、齒條式連接可調節開啟角度、額定流量。
5、執行器可選帶電訊號反饋指示及各類附件以實現自動化操作。
6、IS05211標準連接為產品的安裝更換提供了方便。
7、兩端調的節螺釘可使標準產品在0°和90°有±4°的可調范圍。確保與閥門的同步精度。
主要技術參數
公稱通徑 | DN(mm) | 50~2000 | ||
公稱壓力 | PN(MPa) | 0.6 | 1.0 | 1.6 |
試驗壓力 | 強度試驗 | 0.9 | 1.5 | 2.4 |
密封試驗 | 0.66 | 1.1 | 1.76 | |
氣密封試驗 | 0.6 | 0.6 | 0.6 | |
適用介質 | 空氣、水、污水、蒸氣、煤氣、油品等。 | |||
驅動形式 | 手動、蝸桿蝸輪傳動、氣傳動、電傳動。 |
主要零件的材質
零件名稱 | 材料 | 零件名稱 | 材料 |
閥體 | 球墨鑄鋼、鑄鋼、合金鋼、不銹鋼 | 閥桿 | 2Cr13、不銹鋼 |
蝶板 | 灰鑄鐵、球墨鑄鋼、鑄鋼、不銹鋼及特殊材料 | 填料 | O型圈、柔性石墨O |
密封圈 | 各種橡膠、聚四氟 |
蝶閥密封材料選用和適用溫度
材料品種 | 氯丁橡膠 | 丁晴橡膠 | 乙丙橡膠 | 聚四氟乙烯 | 硅橡膠 | 氟橡膠 | 天然橡膠 | 尼龍 |
英語簡稱 | CR | NBR | EPDM | PTFE | SI | VITON | NR | PA |
型號代號 | X或J | XA或JA | XB或JB | F或XC、JC | XD或JD | XE或JE | X1 | N |
耐高溫度 | 82℃ | 93℃ | 150℃ | 232℃ | 250℃ | 204℃ | 85℃ | 93℃ |
耐低溫度 | -40℃ | -40℃ | -40℃ | -268℃ | -70℃ | -23℃ | -20℃ | -73℃ |
適用工作溫度 | 0~+80℃ | -20~+82℃ | -40~+125℃ | -30~+150℃ | -70~+150℃ | -23~+150℃ | -20~+85℃ | -30~+93℃ |
外形尺寸
公稱通徑 (DN) | L | D1 | D | z-φd | H | H0 | A | B |
50 | 43 | 125 | 165 | 4-18 | 63 | 315 | 180 | 65 |
65 | 46 | 145 | 185 | 4-18 | 70 | 330 | 180 | 65 |
80 | 46 | 160 | 200 | 8-18 | 83 | 390 | 245 | 72 |
100 | 52 | 180 | 220 | 8-18 | 105 | 431 | 245 | 72 |
125 | 56 | 210 | 250 | 8-18 | 115 | 455 | 245 | 72 |
150 | 56 | 240 | 285 | 8-22 | 137 | 626 | 355 | 93 |
200 | 60 | 295 | 340 | 8-22 | 164 | 720 | 350 | 93 |
250 | 68 | 350 | 395 | 12-22 | 206 | 800 | 550 | 350 |
300 | 78 | 400 | 445 | 12-22 | 230 | 860 | 600 | 350 |
350 | 78 | 460 | 505 | 16-22 | 248 | 883 | 600 | 350 |
400 | 102 | 515 | 565 | 16-26 | 289 | 972 | 600 | 350 |
450 | 114 | 565 | 615 | 20-26 | 320 | 1043 | 750 | 380 |
500 | 127 | 620 | 670 | 20-26 | 343 | 1098 | 750 | 380 |
600 | 154 | 725 | 780 | 20-30 | 413 | 1236 | 750 | 380 |
700 | 165 | 840 | 895 | 24-30 | 478 | 1431 | 750 | 380 |
800 | 190 | 950 | 1015 | 24-33 | 525 | 1488 | 750 | 380 |
訂貨須知
訂貨時請填寫《規格書》或注明以下內容:
一、若訂貨前還未選定型號,請向我們提供您的使用參數:1.公稱通徑,2.流體性質(包括公稱壓力、溫度、粘度或酸堿性),3.雙作用或單作用(單作用請注明氣開式或氣閉式),4.閥體、閥芯材料,5.是否帶附件(附件標準:電磁閥、行程開關、空氣過濾減壓器、手輪機構等),說明附件型號。以便我們的為您正確選型。
二、若已經由設計單位選定我公司的產品型號,請按型號直接向我司銷售部訂購;
三、當使用的場合非常重要或管路比較復雜時,請您盡量提供設計圖紙和詳細參數,由我們的專家為您審核把關。