D921電動衛生型蝶閥

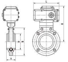
D921電動衛生型蝶閥產品圖 D921電動衛生型蝶閥外形尺寸圖
用途及特點
電動衛生型蝶閥采用標準電子拋光,光滑表面確保清潔,無介質積存區域,不會產生潛在的污染。快速拆裝閥,使閥門打開和維修快捷容易,使過程停機時間縮短。廣泛應用于如食品、制藥、化妝品、潔凈蒸汽、酒類、飲料、生化工業過程控制場合。具有結構緊湊、裝拆方便等優點。
其主要特點為:
1、設計新穎、合理、結構獨特,重量輕,啟閉迅速。
2、操力矩小,操作方便,省力靈巧。
3、可以任何位置安裝,維修方便。
4、密封材料耐老化、耐腐蝕,使用壽命長等特點。
采用標準
設計標準 | 法蘭連接尺寸 | 結構長度 | 壓力試驗 |
GB/T2238-1989 | GB/T9113.1-2000;GB/T9115.1-2000;JB78 | GB/T12221-1989 | GB/T13927-1992;JB/T9092-1999 |
執行機構類型:CH系列特點:
1.功能強勁:智能型、調節型、開關式。
2.體積小巧:體積僅相當于同類產品的35%左右。
3.使用方便:采用單相電源,接線簡單;采用獨創的球型凸出結構,使觀察更方便;免加油免點檢、防水防銹、任意角度安裝。
4.保護裝置有雙重限位、過熱保護、過載保護。全行程時間15秒、30秒、45秒、60秒。及帶手動功能。
5.智能數控:內置模塊采用先進計算機單片及智能控制軟件直接接收計算機或工業儀表等輸出的標準信號(4-20mA DC /1-5VDC)實現閥門開度的智能控制和正確定位。
也可選用3810系列或NA系列電子式角行程執行機構.亦可選用PSQ系列或DYR系列。
主要技術參數
公稱通徑 | DN(mm) | 15~150 | ||
公稱壓力 | PN(MPa) | 0.6 | 1.0 | 1.6 |
試驗壓力 | 強度試驗 | 0.9 | 1.5 | 2.4 |
密封試驗 | 0.66 | 1.1 | 1.76 | |
氣密封試驗 | 0.6 | 0.6 | 0.6 | |
適用介質 | 空氣、水、蒸氣、油品等。 | |||
驅動形式 | 手動、蝸桿蝸輪傳動、氣傳動、電傳動。 | |||
連接方式 | 快裝式、卡箍式、外螺紋、焊接式等 |
主要零件的材質
零件名稱 | 材料 |
閥體 | 304、316、316L |
蝶板 | 304、316、316L |
密封圈 | 硅橡膠、氟橡膠、聚四氟 |
閥桿 | 304、316、316L |
填料 | 硅橡膠、氟橡膠、聚四氟 |
蝶閥密封材料選用和適用溫度
材料品種 | 聚四氟乙烯 | 硅橡膠 | 氟橡膠 | 天然橡膠 | 尼龍 |
英語簡稱 | PTFE | SI | VITON | NR | PA |
型號代號 | F或XC、JC | XD或JD | XE或JE | X1 | N |
耐高溫度 | 232℃ | 250℃ | 204℃ | 85℃ | 93℃ |
耐低溫度 | -268℃ | -70℃ | -23℃ | -20℃ | -73℃ |
適用工作溫度 | -30~+150℃ | -70~+150℃ | -23~+150℃ | -20~+85℃ | -30~+93℃ |
外形尺寸
規格(ISO) | A | B | D | L | H | Kg |
20 | 50 | 78 | 19.05 | 130 | 82 | 1.2 |
25 | 50 | 78 | 25.4 | 130 | 82 | 1.2 |
32 | 50 | 78 | 31.8 | 130 | 82 | 1.05 |
38 | 50 | 86 | 38.1 | 130 | 86 | 1.2 |
51 | 52 | 102 | 50.8 | 140 | 96 | 1.7 |
63 | 56 | 115 | 63.5 | 150 | 103 | 2.1 |
76 | 56 | 128 | 76.1 | 150 | 110 | 2.4 |
89 | 60 | 139 | 88.9 | 170 | 116 | 2.7 |
102 | 64 | 154 | 101.6 | 170 | 122 | 3.05 |
108 | 64 | 159 | 108 | 170 | 126 | 3.15 |
133 | 80 | 138 | 133 | 190 | 138 | 5.2 |
159 | 90 | 215 | 159 | 190 | 153 | 9.2 |
訂貨須知
訂貨時請填寫《規格書》或注明以下內容:
一、若訂貨前還未選定型號,請向我們提供您的使用參數:1.公稱通徑,2.流體性質(包括公稱壓力、溫度、粘度或酸堿性),3.雙作用或單作用(單作用請注明氣開式或氣閉式),4.閥體、閥芯材料,5.是否帶附件(附件標準:電磁閥、行程開關、空氣過濾減壓器、手輪機構等),說明附件型號。以便我們的為您正確選型。
二、若已經由設計單位選定我公司的產品型號,請按型號直接向我司銷售部訂購;
三、當使用的場合非常重要或管路比較復雜時,請您盡量提供設計圖紙和詳細參數,由我們的專家為您審核把關。