法蘭直通式氨氣截止閥

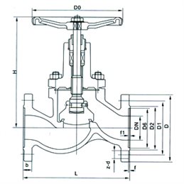
法蘭直通式氨氣截止閥外形尺寸圖
適用介質:液、氣、氨、氮、氫
適用溫度: -10℃-150℃
產品型號:J41B-25/C/Z/P
試驗壓力
公稱壓力 PN(MPa) | 試驗壓力 (MPa) | |
殼體強度試驗 | 密封試驗 | |
1.6 | 2.4 | 1.76 |
2.5 | 3.75 | 2.75 |
主要零件材料
產品類型 | 零件名稱 | |||||
閥體、閥蓋 | 閥桿 | 填料 | 密封面 | 墊片 | 緊固件 | |
J41B-16/25C | 鑄鋼 | 碳鋼 | 聚四氟乙烯 | 巴氐合金 | 石棉橡膠板 | 優質碳鋼 |
J41B-16/25Q | 球墨鑄鐵 | 碳鋼 | 聚四氟乙烯 | 巴氏合金 | 石棉橡膠板 | 優質碳鋼 |
J41B-16/25K | 可鍛鑄鐵 | 碳鋼 | 聚四氟乙烯 | 巴氏合金 | 石棉橡膠板 | 優質碳鋼 |
主要尺寸表
公稱通徑 | 主要外形尺寸及連接尺寸(mm) | ||||||||||
L | D | D1 | D2 | D6 | b | f | f2 | z-d | H | DO | |
J41B-16C J41B-16Q J41B-16K | |||||||||||
10 | 130 | 90 | 60 | 40 | 35 | 14 | 2 | 4 | 4-14 | 196 | 120 |
15 | 130 | 95 | 65 | 45 | 40 | 14 | 2 | 4 | 4-14 | 196 | 120 |
20 | 150 | 105 | 75 | 55 | 51 | 16 | 2 | 4 | 4-14 | 196 | 140 |
25 | 160 | 115 | 85 | 65 | 58 | 16 | 2 | 4 | 4-14 | 204 | 160 |
32 | 180 | 135 | 100 | 78 | 66 | 18 | 2 | 4 | 4-18 | 208 | 160 |
40 | 200 | 145 | 110 | 85 | 76 | 18 | 3 | 4 | 4-18 | 248 | 200 |
50 | 230 | 160 | 125 | 100 | 88 | 20 | 3 | 4 | 4-18 | 248 | 200 |
65 | 290 | 180 | 145 | 125 | 110 | 22 | 3 | 4 | 4-18 | 321 | 240 |
80 | 310 | 195 | 160 | 135 | 121 | 24 | 3 | 4 | 8-18 | 325 | 240 |
100 | 350 | 215 | 180 | 155 | 150 | 24 | 3 | 4.5 | 8-18 | 371 | 280 |
125 | 400 | 245 | 210 | 185 | 176 | 26 | 3 | 4.5 | 8-18 | 400 | 320 |
150 | 480 | 280 | 240 | 210 | 204 | 26 | 3 | 4.5 | 8-23 | 432 | 320 |
200 | 600 | 335 | 295 | 265 | 260 | 30 | 3 | 4.5 | 12-23 | 654 | 400 |
250 | 650 | 405 | 335 | 320 | 313 | 32 | 3 | 4.5 | 12-25 | 745 | 500 |
300 | 700 | 460 | 410 | 375 | 364 | 34 | 3 | 4.5 | 12-25 | 852 | 600 |
J41B-25C J41B-25Q J41B-25K | |||||||||||
10 | 130 | 90 | 60 | 40 | 35 | 16 | 2 | 4 | 4-14 | 196 | 120 |
15 | 130 | 95 | 65 | 45 | 40 | 16 | 2 | 4 | 4-14 | 196 | 120 |
20 | 150 | 105 | 75 | 55 | 51 | 16 | 2 | 4 | 4-14 | 196 | 120 |
25 | 160 | 115 | 85 | 65 | 58 | 18 | 2 | d | 4-14 | 201 | 120 |
32 | 180 | 135 | 100 | 78 | 66 | 18 | 2 | 4 | 4-18 | 208 | 120 |
40 | 200 | 145 | 110 | 85 | 76 | 20 | 2 | d | 4-18 | 248 | 160 |
50 | 230 | 160 | 125 | 100 | 88 | 20 | 3 | 4 | 4-18 | 248 | 160 |
65 | 290 | 180 | 145 | 125 | 110 | 22 | 3 | 4 | 8-18 | 321 | 240 |
80 | 310 | 195 | 160 | 135 | 121 | 24 | 3 | 4 | 8-18 | 325 | 240 |
100 | 350 | 230 | 190 | 160 | 150 | 24 | 3 | 4.5 | 8-23 | 371 | 280 |
125 | 400 | 270 | 220 | 188 | 176 | 30 | 3 | 4.5 | 8-25 | 400 | 320 |
150 | 480 | 300 | 250 | 218 | 204 | 30 | 3 | 4.5 | 8-25 | 432 | 320 |
200 | 600 | 360 | 310 | 278 | 260 | 34 | 3 | 4.5 | 12-30 | 654 | 400 |
250 | 650 | 425 | 370 | 332 | 313 | 42 | 3 | 4.5 | 12-34 | 745 | 500 |
300 | 750 | 485 | 430 | 390 | 364 | 46 | 3 | 4.5 | 12-34 | 852 | 600 |