G41J/F 法蘭襯里隔膜閥

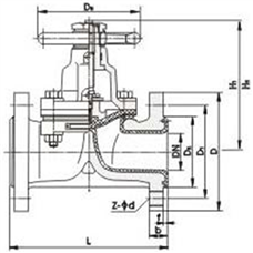
G41J/F 法蘭襯里隔膜閥外形尺寸圖
一、手動堰式襯膠、襯氟隔膜閥主要性能規范:
工作溫度 | 適用介質 |
≤85℃ | J:一般腐蝕性介質 |
≤120℃ | FS:強腐蝕性介質 |
注:此為我公司基型產品適用溫度如有不同要求請參閱前頁進行選擇。
二、手動堰式襯膠、襯氟隔膜閥主要零件的材料:
名稱 | 材料 |
閥體 | 鑄鐵、鑄鐵/襯膠、氟塑料 |
閥蓋 | 鑄鐵 |
閥瓣 | 鑄鐵 |
手輪 | 鑄鐵 |
隔膜 | 天然膠、丁基膠、氟塑料、橡膠 |
閥桿 | 碳鋼 |
三、手動堰式襯膠、襯氟隔膜閥主要外形尺寸和連接尺寸: (mm)
公 稱 通 徑 | 公稱壓力 /MPa | 工作壓力 /MPa | L | D | D1 | Z-Фd | f | H1 | H2 | Do | 重量 /㎏ | |
DN/mm | NPS/inch | |||||||||||
15 | 1/2 | 1.0 | 1.0 | 125 | 95 | 65 | 4-14 | 2 | 105 | 116 | 100 | 4.5 |
20 | 3/4 | 135 | 105 | 75 | 4-14 | 2 | 117 | 128 | 100 | 4.5 | ||
25 | 1 | 145 | 115 | 85 | 4-14 | 2 | 121 | 135 | 120 | 5 | ||
32 | 1 1/4 | 160 | 135 | 100 | 4-18 | 2 | 132 | 150 | 120 | 7 | ||
40 | 1 1/2 | 180 | 145 | 110 | 4-18 | 3 | 156 | 176 | 140 | 9 | ||
50 | 2 | 210 | 160 | 125 | 4-18 | 3 | 169 | 195 | 140 | 12.5 | ||
65 | 2 1/2 | 250 | 180 | 145 | 4-18 | 3 | 200 | 236 | 200 | 20 | ||
80 | 3 | 300 | 195 | 160 | 4-18 | 3 | 216 | 256 | 200 | 25.5 | ||
100 | 4 | 350 | 215 | 180 | 8-18 | 3 | 270 | 322 | 280 | 40 | ||
125 | 5 | 400 | 246 | 210 | 8-18 | 3 | 338 | 406 | 320 | 62 | ||
150 | 6 | 460 | 280 | 240 | 8-23 | 3 | 384 | 464 | 320 | 80.5 | ||
200 | 8 | 0.6 | 0.4 | 570 | 335 | 295 | 8-23 | 4 | 518 | 638 | 400 | 151 |
250 | 10 | 680 | 390 | 350 | 12-23 | 4 | 598 | 734 | 500 | 240 | ||
300 | 12 | 790 | 440 | 400 | 12-23 | 4 | 698 | 778 | 560 | 334 | ||
350 | 14 | 900 | 500 | 460 | 16-23 | 4 | 723 | 883 | 560 | 371 | ||
400 | 16 | 0.25 | 1000 | 565 | 505 | 16-25 | 4 | 868 | 1078 | 640 | 584 | |
我公司采用標準:
設計與制造:GB/TM12239
結構長度:JB1688
法蘭連接尺寸:JB78(PN1.0MPa)