H41Y-220/320 鍛鋼法蘭升降式止回閥
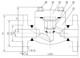
一、H41Y-220/320 鍛鋼法蘭升降式止回閥簡圖:

H41Y-220/320 鍛鋼法蘭升降式止回閥外形尺寸圖
二、H41Y-220/320 鍛鋼法蘭升降式止回閥性能規范:
型號 | 公稱壓力(Mpa) | 試驗壓力(Mpa) | 工作壓力 | 工作溫度 | 工作 | |
強度 | 密封 | |||||
H41W-220R | 22 | 33 | 24.2 | 22 | ≤200℃ | 尿素甲胺液 |
H41W-320R | 32 | 48 | 35.2 | 32 | ≤200℃ | |
三、H41Y-220/320 鍛鋼法蘭升降式止回閥主要零件材料:
零件名稱 | 材料名稱 | 材料標準與牌號 |
閥體、閥蓋、閥瓣、密封圈 | 不銹鋼 | 0Cr18Ni12Mo2Ti |
彈簧 | 不銹鋼 | 0Cr18Ni12Mo2Ti |
法蘭 | 優質碳鋼 | 35 |
四、H41Y-220/320 鍛鋼法蘭升降式止回閥主要連接尺寸和重量:
型 號 | 公稱 通徑 | 尺 寸 (mm) | ||||||||
L | D | D1 | M | Do | n-d | b | H | 重量/㎏ | ||
H41Y/W 220 | 25 | 240 | 105 | 68 | M33×2 | 23 | 3-¢18 | 20 | 170 | 29 |
32 | 320 | 115 | 80 | M42×2 | 29 | 4-¢18 | 22 | 170 | 43 | |
40 | 380 | 165 | 115 | M52×2 | 39 | 6-¢26 | 28 | 210 | 95 | |
50 | 440 | 165 | 115 | M64×3 | 48 | 6-¢26 | 32 | 220 | 115 | |
65 | 510 | 200 | 145 | M80×3 | 61 | 6-¢29 | 40 | 290 | 156 | |
80 | 550 | 225 | 170 | M100×3 | 74 | 6-¢33 | 50 | 305 | 246 | |
100 | 600 | 260 | 195 | M125×4 | 93 | 6-¢36 | 60 | 355 | 292 | |
125 | 750 | 300 | 235 | M155×4 | 119 | 8-¢39 | 75 | 410 | 351 | |
150 | 750 | 330 | 255 | M175×4 | 136 | 8-¢42 | 78 | 470 | 382 | |
型 號 | 公稱 通徑 | 尺 寸 (mm) | ||||||||
H41W-320R | L | D | D1 | M | Do | n-d | b | H | 重量/㎏ | |
32 | 320 | 135 | 95 | M48×2 | 29 | 4-¢22 | 25 | 170 | 46 | |
40 | 380 | 165 | 115 | M64×3 | 42 | 6-¢26 | 32 | 210 | 110 | |
50 | 440 | 200 | 145 | M80×3 | 53 | 6-¢29 | 40 | 220 | 130 | |
65 | 510 | 225 | 170 | M100×3 | 68 | 6-¢33 | 50 | 290 | 211 | |
80 | 550 | 260 | 195 | M125×4 | 85 | 6-¢36 | 60 | 305 | 341 | |
100 | 600 | 300 | 235 | M155×4 | 103 | 8-¢39 | 75 | 355 | 380 | |
125 | 750 | 330 | 255 | M175×4 | 120 | 8-¢42 | 78 | 410 | 435 | |
150 | 750 | 400 | 315 | M215×6 | 149 | 8-¢48 | 90 | 470 | 480 | |