HH46X/HH48X/HH49X 法蘭微阻緩閉蝶式止回閥
一、法蘭微阻緩閉蝶式止回閥簡圖:

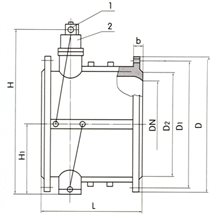
法蘭微阻緩閉蝶式止回閥外形尺寸圖
二、法蘭微阻緩閉蝶式止回閥特點:
HH46/48/49X/H-10/16/25型法蘭微阻緩閉蝶式止回閥可用在清水、污水、海水等介質的排水管道上,既能防止介質的倒流,又能有效的限制破壞性水錘,保證管線的使用安全。法蘭微阻緩閉蝶式止回閥具有結構新穎、體積小、重量輕、流體阻力小、密封可靠、啟閉平穩、耐磨損、使用壽命長,油壓、緩閉不受介質影響,有較好的節能效果等特點。HH46X HDH48X HH49X系列法蘭微阻緩閉蝶式止回閥已經被各大工業、城建等行業廣泛的推廣應用,反應良好。
三、法蘭微阻緩閉蝶式止回閥主要零件材料:
零件名稱 | 閥體 | 閥瓣 | 閥桿、油缸、活塞 | 彈簧 | 閥座 |
材料 | 鑄鐵、鑄鋼 | 碳鋼 | 不銹鋼 | 不銹鋼 | 丁腈橡膠 |
四、法蘭微阻緩閉蝶式止回閥主要技術參數:
型號 | 公稱壓力 (MPa) | 強度試驗壓力(MPa) | 密封壓力(MPa) | 適用溫度 (℃) | 適用介質 | 緩閉時間 |
HH46X HDH48X HH49X | 1.0 | 1.5 | 1.1 | ≤80 | 海水 污水 清水 | ≤60秒 |
1.6 | 2.4 | 1.76 | ||||
2.5 | 3.75 | 2.75 |
四、法蘭微阻緩閉蝶式止回閥主要外形尺寸: (法蘭連接尺寸:按JB/T79-94標準)
公稱壓力 PN(MPa) | 公稱通徑 DN(mm) | 尺寸(mm) | 公稱壓力 PN(MPa) | 公稱通徑 DN(mm) | 尺寸(mm) | ||||
L | H | H1 | L | H | H1 | ||||
1.0
1.6
2.5 | 40 | 140 | 200 | 88 | 1.0
1.6
2.5 | 350 | 290 | 480 | 297 |
50 | 150 | 215 | 98 | 400 | 310 | 550 | 324 | ||
65 | 170 | 225 | 108 | 450 | 330 | 585 | 351 | ||
80 | 180 | 235 | 118 | 500 | 350 | 640 | 379 | ||
100 | 190 | 280 | 130 | 600 | 390 | 720 | 434 | ||
125 | 200 | 290 | 148 | 700 | 430 | 780 | 491 | ||
150 | 210 | 310 | 172 | 800 | 470 | 840 | 549 | ||
200 | 230 | 350 | 210 | 900 | 510 | 990 | 600 | ||
250 | 250 | 415 | 240 | 1000 | 550 | 1050 | 655 | ||
300 | 270 | 450 | 264 | 1200 | 630 | 1210 | 770 | ||