J941H-16/25/40/64/100/160C 電動截止閥
法蘭連接的截止閥適用于公稱壓力PN1.6~16MPa,工作溫度-29~550℃的石油、化工、制藥、化肥、電力行業等各種工況的管路上,切斷或接通管路介質。驅動方式有手動、齒輪傳動、電動、氣動等。

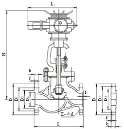
J941H-16/25/40/64/100/160C 電動截止閥外形尺寸圖
結構特點
1、選材考究,符合國內、外相關標準,結構合理,造型美觀。
閥瓣、閥座密封面采用鐵基合金堆焊或司太立(Stellite)鈷基硬質合金堆焊而成,耐磨、耐高溫、耐腐蝕、抗擦傷性能好,使用壽命長。
4、閥桿經調質及表面氮化處理,有良好的抗腐蝕性和抗擦傷性。
5、可采用各種配管法蘭標準及法蘭密封面型式,滿足各種工程需要及用戶要求。
6、閥體材料品種齊全,填料、墊片可根據實際工況或用戶要求合理選配,能適用于各種壓力、溫度及介質工況。
7、倒密封采用螺紋連接密封座或本體堆焊奧氏體不銹鋼而成,密封可靠,更換填料可在不停機情況下進行,方便快捷,不影響系統運行。
8、配有DZW系列多回轉式電動裝置,具有殼體小,重量輕,功能全,并可與遠程電腦配套使用,也可按用戶要求選配電動裝置。
應用規范
設計與制造 | GB/T12235 | |
連接端尺寸 | 結構長度 | GB/T12221 |
法蘭尺寸 | JB/T79 | |
檢驗與試驗 | JB/T9092 | |
材 料 | 碳鋼 | GB/T12229 |
不銹鋼 | GB/T12230 | |
合金鋼 | Q/ZB66 | |
標 志 | GB/T12220 | |
供 貨 | JB/T7928 | |
主要零件材料及主要用途
閥體 | 閥蓋 | 閥瓣 | 密封圈 | 閥桿 | 填料 | 適用介質 | 適用溫度 |
WCB | WCB+D507MO | D577 | 2Crl3 | 柔性石墨 | 水、油品、蒸汽 | 425 | |
ZGlCrl8Ni9Ti | 0Crl8Ni9Ti+ | Stellite6 | lCrl8Ni9Ti | PTFE | 硝酸類 | 200 | |
ZGlCrl8Ni2Mo2Ti | CF8M+Stellite12 | lCrl8Ni2Mo2Ti | lCrl8Ni2Mo2Ti | PTFE | 磷酸類、 | 200 | |
ZG00Crl7Nil4M02 | CF3M+ | Stel1ite6 | 316L | PTFE | 磷酸類、 | 200 | |
ZGlCr5MO | ZGlCr5MO+ | Stel1ite6 | 25Cr2Mo1VA | 柔性石墨 | 水、油品、蒸汽 | 550 | |
主要外形尺寸、連接尺寸及質量
公稱壓力 | 公稱通徑 | 標準值 | 參考值 | ||||||||||
L | D | D1 | n2 | D6 | b | f | f1 | Z-φd | L1 | H | 質量(kg) | ||
1.6 | 50 | 230 | 160 | 125 | 100 | 16 | 3 | 4-φ18 | 590 | 645 | 48 | ||
65 | 290 | 180 | 145 | 120 | 18 | 3 | 4-φ18 | 590 | 690 | 60 | |||
80 | 310 | 195 | 160 | 135 | 20 | 3 | 8-φ18 | 590 | 715 | 65 | |||
100 | 350 | 215 | 180 | 155 | 20 | 3 | 8-φ18 | 590 | 770 | 71 | |||
125 | 400 | 254 | 210 | 185 | 22 | 3 | 8-φ18 | 590 | 780 | 119 | |||
150 | 480 | 280 | 240 | 210 | 24 | 3 | 8-φ23 | 590 | 810 | 210 | |||
200 | 600 | 335 | 295 | 265 | 26 | 3 | 12-φ23 | 810 | 967 | 320 | |||
250 | 622 | 405 | 355 | 320 | 30 | 3 | 12-φ25 | 810 | 1143 | 550 | |||
300 | 698 | 460 | 410 | 375 | 30 | 4 | 12-φ25 | 830 | 1292 | 785 | |||
2.5 | 50 | 230 | 160 | 125 | 100 | 20 | 3 | 4-φ18 | 590 | 645 | 50 | ||
65 | 290 | 180 | 145 | 120 | 22 | 3 | 8-φ18 | 590 | 690 | 65 | |||
80 | 310 | 195 | 160 | 135 | 22 | 3 | 8-φ18 | 590 | 715 | 67 | |||
100 | 350 | 230 | 190 | 160 | 24 | 3 | 8-φ23 | 590 | 770 | 73 | |||
125 | 400 | 270 | 220 | 188 | 28 | 3 | 8-φ25 | 590 | 780 | 127 | |||
150 | 480 | 300 | 250 | 218 | 30 | 3 | 8-φ25 | 810 | 810 | 215 | |||
200 | 600 | 360 | 310 | 278 | 34 | 3 | 12-φ25 | 810 | 967 | 322 | |||
250 | 622 | 425 | 370 | 332 | 36 | 3 | 12-φ30 | 830 | 1143 | 585 | |||
300 | 698 | 485 | 430 | 390 | 40 | 4 | 16-φ30 | 830 | 1292 | 795 | |||
公稱壓力 | 公稱通徑 | 標準值 | 參考值 | ||||||||||
L | D | D1 | n2 | D6 | b | f | f1 | Z-φd | L1 | H | 質量(kg) | ||
4.0 | 50 | 230 | 160 | 125 | 100 | 88 | 20 | 3 | 4 | 4-φ18 | 590 | 645 | 61 |
65 | 290 | 180 | 145 | 120 | 110 | 22 | 3 | 4 | 8-φ18 | 590 | 690 | 75 | |
80 | 310 | 195 | 160 | 135 | 121 | 22 | 3 | 4 | 8-φ18 | 590 | 715 | 84 | |
100 | 350 | 230 | 190 | 160 | 150 | 24 | 3 | 4.5 | 8-φ23 | 590 | 770 | 101 | |
125 | 400 | 270 | 220 | 188 | 176 | 28 | 3 | 4.5 | 8-φ25 | 810 | 782 | 207 | |
150 | 480 | 300 | 250 | 218 | 204 | 30 | 3 | 4.5 | 8-φ25 | 810 | 875 | 226 | |
200 | 600 | 375 | 320 | 282 | 260 | 38 | 3 | 4.5 | 12-φ30 | 810 | 1160 | 399 | |
6.4 | 50 | 300 | 175 | 135 | 105 | 88 | 26 | 3 | 4 | 4-φ23 | 590 | 710 | 64 |
65 | 340 | 200 | 160 | 130 | 110 | 28 | 3 | 4 | 8-φ23 | 590 | 750 | 77 | |
80 | 380 | 210 | 170 | 140 | 121 | 30 | 3 | 4 | 8-φ23 | 590 | 785 | 86 | |
100 | 430 | 250 | 200 | 168 | 150 | 32 | 3 | 4.5 | 8-φ25 | 810 | 837 | 171 | |
125 | 500 | 295 | 240 | 202 | 176 | 36 | 3 | 4.5 | 8-φ30 | 810 | 1031 | 243 | |
150 | 550 | 340 | 280 | 240 | 204 | 38 | 3 | 4.5 | 8-φ34 | 830 | 1066 | 296 | |
200 | 650 | 405 | 345 | 300 | 260 | 44 | 3 | 4.5 | 12-φ34 | 830 | 1213 | 420 | |
10.0 | 50 | 300 | 195 | 145 | 112 | 88 | 28 | 3 | 4 | 4-φ25 | 590 | 714 | 81 |
65 | 340 | 220 | 170 | 138 | 110 | 32 | 3 | 4 | 8-φ25 | 590 | 734 | 102 | |
80 | 380 | 230 | 180 | 148 | 121 | 34 | 3 | 4 | 8-φ30 | 810 | 847 | 175 | |
100 | 430 | 265 | 210 | 172 | 150 | 38 | 3 | 4.5 | 8-φ30 | 810 | 950 | 194 | |
125 | 500 | 310 | 250 | 210 | 176 | 42 | 3 | 4.5 | 8-φ34 | 830 | 1141 | 285 | |
150 | 550 | 350 | 290 | 250 | 204 | 46 | 3 | 4.5 | 12-φ34 | 830 | 1240 | 450 | |
200 | 650 | 430 | 360 | 312 | 260 | 54 | 3 | 4.5 | 12-φ4l | 830 | 1425 | 850 | |
16.0 | 50 | 300 | 215 | 165 | 132 | 88 | 36 | 3 | 4 | 8-φ25 | 590 | 562 | 92 |
65 | 340 | 245 | 190 | 152 | 110 | 44 | 3 | 4 | 8-φ30 | 810 | 743 | 165 | |
80 | 380 | 260 | 205 | 168 | 121 | 46 | 3 | 4 | 8-φ30 | 830 | 820 | 216 | |
100 | 430 | 300 | 240 | 200 | 150 | 48 | 3 | 4.5 | 8-φ34 | 830 | 935 | 238 | |