用途說明
本泵適用于輸送各種油類 ,如重油、柴油、潤滑油,配用銅齒輪可輸送內點低液體,如汽油、苯等。本單位還生產不銹鋼齒輪泵可輸送飲料和腐蝕性的液體。
本泵不適用于含硬質顆?;蚶w維的,適用粘度為5×10-5 ~1.5×103 m2/s 。溫度不高為70℃,如需輸送高溫液體,請使用耐高溫齒輪泵,可輸送300℃以下液體。
型號意義

主要性能規格參數表
型號 | 吸入及排出管口徑(寸) | 排出流量(L/min) | 排出 壓力(Mpa) | 吸入高度(m) | 容積效率(%) | 配三相異步電動機 | ||
功率(KW) | 型 號 | 轉速(同步)(r/min) | ||||||
KCB-18.3 (2CY-1.1/14.5-2) | 3/4″ | 18.3 | 14.5 | 5 | ≥85 | 1.5 | Y90L1-4 | 1500 |
KCB-33.3 (2CY-2/14.5-2) | 3/4″ | 33.3 | 1.45 | 5 | ≥85 | 2.2 | Y100L2-4 | 1500 |
KCB-55 (2CY-5/3.5-2) | 1″ | 55 | 0.33 | 5 | ≥85 | 1.5 | Y90L1-4 | 1500 |
KCB-83.8 (2CY-5/3.3-2) | 11/2″ | 83.3 | 0.33 | 5 | ≥85 | 2.2 | Y100L2-4 | 1500 |
KCB-200 (2CY-12/10-2) | 2″ | 200 | 0.33 | 5 | ≥85 | 5.5 | Y132S-4 | 1500 |
KCB-300 (2CY-18/6-2) | 3″ | 300 | 0.33 | 5 | ≥85 | 5.5 | Y132M2-6 | 960 1000 |
KCB-483.3 (2CY-29/3.6-2) | 3″ | 183.3 | 0.33 | 5 | ≥85 | 7.5 | Y132M-4 | 1400 1500 |
KCB-633 (2CY-29/3.6-2) | 4″ | 633 | 0.28 | 5 | ≥85 | 11 | Y160L-6 | 960 1000 |
KCB-960 (2CY-60/3-2) | 4″ | 960 | 0.3 | 5 | ≥85 | 18.5 | Y180L-4 | 1500 |
2CY-100/3-2
| 6″ | 1666.6 | 0.3 | 5 | ≥85 | 30 | Y250M-8 | 750 |
2CY-120/3-2
| 6″ | 2000 | 0.3 | 5 | ≥85 | 30 | Y250M-8 | 750 |
2CY-150/7-2
| 6″ | 2500 | 0.7 | 5 | ≥85 | 55 | Y315S-8 | 750 |
工作原理

本型泵在泵體中裝有一對回轉齒輪,一個主動,一個被動,依靠兩齒輪的相互嚙合,把泵內的整個工作腔分兩個獨立部分。A為入吸腔,B為排出腔。泵運轉時主動齒輪帶動被動齒輪旋轉,當齒化從嚙合到脫開時在吸入側(A)就形成局部真空,液體被吸入。被吸入的液體充滿齒輪的各個齒谷而帶到排出側(B),齒輪進入嚙合時液體被擠出,形成高壓液體并經泵的排出口排出泵外。
結構及特性
結構
本型泵是臥式回轉泵,主要有泵體、齒輪、軸承座、安全閥、軸承及密封裝置等機件組成。
泵體、軸承座等為灰鑄鐵件,齒輪用優質碳素鋼材制作,亦可根據用戶特殊需要用銅材料或不銹鋼材料制作。
軸承座上有一填料函室,起軸向密封作用。2CY100/3,2CY120/3,2CY150/3,KCB-300~960型泵采用骨架密封裝置。軸承采用單列向心球軸承。KCB-18.3~83.3型泵采用三個耐油橡膠圈和中間襯隔的一個擋圈組成,調節壓緊蓋上的兩只螺母來調節密封的程度,軸承采用銅基粉末含油軸承。另外,本系列泵均可采用填料密封以彈性好,耐高溫和低溫、化學性質穩定且有潤滑性能的柔性石墨做為填料。
泵內裝有安全閥,當泵或排出管道發生故障或誤將排出閥門完全關閉而產生高壓和高壓沖擊時安全閥就會自動打開,卸除部分或全部的高壓液體回到低壓腔,從而對泵及管道起到安全保護作用。
用彈性聯軸器直接與驅動電機聯接,并安裝在公共鑄鐵底盤上。
特性
本型泵結構簡單緊湊,使用和保養方便。
本系列泵具有良好的自吸性,幫每次開泵前不須灌入液體。
本型泵的潤滑是靠輸送的液體而自動達到的,故日常工作時無須另加潤滑液。
利用彈性聯軸器傳遞動力可以補償因安裝時所引起的微小偏差。在泵工作中受到不可避免的液壓沖擊時,能起到改好餓緩沖作用。
使用時應注意的事項
安裝
安裝前應檢查泵在運輸中是否受到損壞,如電機是否受潮、泵進出口的防塵蓋是否損壞而使用污物進入泵腔內部等。
安裝管道前應先對管道內壁用清水或蒸汽清洗干凈。安裝時應避免使管道的重量有泵來承擔,以免影響泵的精度。
管道各聯接部位不得不漏氣、漏液,否則會發生吸不上液體的現象。
為防止顆粒雜質等污物進入泵內,應在吸入口安裝金屬過濾網。
泵工作前的檢查
泵的各緊固件是否牢固。
主動軸是否運轉靈活。
進出管道的閥門是否打開。
泵的旋轉方向是否符合要求,(若從泵端向電機看,旋轉方向為逆時針)。
泵工作時的維護
注意泵的壓力及真空表的讀數應符合該泵所規定的技術規范以內。
注意填料函的工作,若發生泄漏,視其程度將壓緊蓋擰緊(不允許擰得過緊,以免填料函劇烈發熱和密封圈迅速磨損)。
當泵在運轉中有不正常的噪音或溫升過高時,應立即停止泵的工作,進行拆檢。
一般情況下,不得任意調整安全閥,如需調整時,要用儀器校正。使安全閥的封閥壓力分別為KCB-18.3型、KCB-33.3型為1.7Mpa,KCB-55型、KCB-83.3A型、KCB-300型、KCB-483.3型為0.45Mpa。KCB200、三種泵分別為0.45Mpa、0.8Mpa、1.4Mpa、2CY100/3、2CY120/3,2CY150/7,分別為0.45Mpa,0.8Mpa。
泵工作地停止
切斷電源
關閉進出管道閥門
常見故障及排除方法(表示)
現象 | 產生原因 | 排除方法 |
不排油或 排油量少 | 吸入高度超過額定值 吸入管道漏氣 旋轉方向不對 吸入管道堵塞或閥門關閉 安全閥卡死或研傷 液體溫度地而粘度增大 | 提高吸入液面 檢查各接合處,最好加否棉等密封材料加以密封 接泵的所示方向糾正 檢查管道是否堵塞,閥門是否全開 拆開安全閥清洗并用細研磨砂研磨閥孔,使用吻合。 預熱液體,如不可能,則降低排出壓力或減少排除流量。 |
密封漏油 | 軸封處未調整好 密封圈磨損而間隙增大 機械密封動靜球的摩擦面損壞或有毛刺、劃痕等缺陷 彈簧松弛 | 重新調整 適量擰緊調節螺母或更換密封圈 更換動靜環或重新研磨 更換彈簧 |
噪音或振動大 | 吸入管或過濾網堵塞 吸入管伸入液面較淺 管道內進入空氣 排出管道阻力太大 齒輪軸承或側板嚴重磨損 回轉部分發生干涉 吸入液體的粘度太大 吸入高度超過額定值 | 消除過濾網上的污物 吸入管應伸入液池深左右 檢查各聯接處,使其密封 檢查排除管道及閥門是否堵塞 拆下清洗,并修整缺陷或更換 拆下檢查并排除故障 進行粘度測定并根據表二中第一現象第六條處理 提高吸入液面 |
易損件明細表
名稱 | 材料 | 件數 | 備注 |
密封圈 | 進口骨架油封 | 2 | 輸送油溫300℃以下配用進口油封或柔性石墨 |
密封圈 | 耐油骨加油封 | 2 | 規格:KCB83.3以下<2.2×35×6.5>,KCB300以下<35×56×12>,KCB960以下<40×62×12>,2CY150/3以下<60×90×157> |
密封圈 | 柔性石墨 | 2 | |
軸 承 | 滾動軸承3612 | 4 | 配用2CY100/3~2CY150/7 |
軸 承 | 滾動軸承308 | 4 | 配用KCB633~KCB960 |
軸 承 | SF-1 39×35×32 | 4 | 配用KCB200~KCB300 |
軸 承 | SF-1 25×22×30 | 4 | 配用KCB18.3~KCB83.3 |
安全閥彈簧 | 中II鋼絲 | 1 |
泵出廠時不附帶上列易損件,如需備件請在訂貨單中說明。
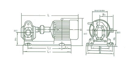
外形及安裝尺寸圖

齒輪油泵外形尺寸表
型號 | 電動機 | A | B | C | D | E | G″ | F | |
型號 | 功率 | ||||||||
KCB18.3-2 (2CY-1.1/14.5-2) | Y-90L-4 | 1.5 | 583 | 300 | 230 | 130 | 79 | 3/4″ | 335 |
KCB33.3-2 (2CY-2/14.5-2) | Y-100L1-4 | 2.2 | 618 | 325 | 325 | 140 | 79 | 3/4″ | 365 |
KCB55-2 (2CY-3.3/3.3-2) | Y-90L-4 | 1.5 | 588 | 300 | 300 | 130 | 86.5 | 1″ | 335 |
KCB83.3-2 (2CY-5/3.3-2) | Y-100L1-4 | 2.2 | 658 | 325 | 325 | 140 | 99 | 11/2″ | 365 |
KCB200,KCB300,KCB483.3,KCB633,KCB960,2CY100/3,2CY120/3,2CY150/3型泵的外形見圖
安裝尺寸圖

型號 | L | L1 | L2 | L3 | H | H1 | H2 | B | B1 | B2 | B3 | B4 |
KCB-300 (2CY-18/6-2) | 880 | 770 | 470 | 160 | 423 | 198 | 240 | 430 | 370 | 320 | 210 | 240 |
KCB-483.8 (2CY-29/3.6-2) | 880 | 770 | 470 | 160 | 423 | 198 | 240 | 430 | 370 | 320 | 210 | 240 |
KCB-200 (2CY-12/10-2) | 800 | 705 | 450 | 116 | 415 | 187 | 225 | 390 | 340 | 250 | 210 | 法蘭:205 絲扣:295 |
KCB-633 (2CY-60/3-2) | 1150 | 995 | 649 | 215 | 540 | 250 | 305 | 505 | 440 | 325 | 247 | 290 |
KCB-960 (2CY-60/3-2) | 1460 | 1446 | 931.5 | 274.5 | 922 | 387 | 475 | 490 | 440 | 325 | 247 | 290 |
2CY100/3-2
| 1460 | 1446 | 931.5 | 274.5 | 922 | 387 | 475 | 490 | 440 | 370 | 406 | 398 |
2CY120/3-2
| 1460 | 1446 | 931.5 | 274.5 | 922 | 387 | 475 | 490 | 440 | 370 | 406 | 398 |
2CY150/3-2
| 1790 | 1614 | 1071 | 303 | 952 | 387 | 475 | 628 | 578 | 370 | 508 | 398 |