Q41F46 法蘭襯氟球閥

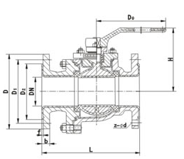
Q41F46 法蘭襯氟球閥外形尺寸圖
襯氟球閥主要零部件材料表
序號 | 零件名稱 | 灰鑄鐵 | 鑄鋼 | 不銹耐酸鑄鋼 | 超低碳不銹耐酸鑄鋼 | ||
1 | 閥體/閥蓋 | Z | C | P | R | PL | RL |
2 | 球體/閥桿 | HT250 | WCB | CF8 | CF8M | CF3 | CF3M |
3 | 襯里/閥座 | WCB | CF8 | CF8M | CF3 | CF3M | |
4 | 填料壓蓋 | PCTEF(F3),FEP(F46),PFA(可溶F4),PP,PO | |||||
5 | 填料 | WCB | CF8 | CF8M | |||
6 | 支架 | PTFE(F4) | PTFE(F4) | PTFE(F4) | |||
7 | 螺栓 | 35 | 1Cr18Ni9Ti | 1Cr18Ni9Ti | |||
8 | 緊固螺母 | 35 | Cr17Ni2 | 1Cr18Ni2 | |||
9 | 操作手柄 | 45 | 0Cr18Ni9 | 0Cr18Ni9 | |||
襯氟球閥主要外形和連接尺寸
公稱通徑 | PN1.6(MPa) 主要外形尺寸和連接尺寸(mm) | 重量 | ||||||||
DN | L | D | D1 | D2 | f | b | z-d | H | Do | Kg |
10 | 130 | 90 | 60 | 41 | 3 | 14 | 4-14 | 90 | 140 | 35 |
15 | 130 | 95 | 65 | 45 | 3 | 14 | 4-14 | 95 | 140 | 4 |
20 | 140 | 105 | 75 | 55 | 3 | 14 | 4-14 | 98 | 150 | 4.5 |
25 | 150 | 115 | 85 | 65 | 3 | 16 | 4-14 | 113 | 150 | 5.5 |
32 | 165 | 135 | 100 | 78 | 3 | 18 | 4-18 | 130 | 200 | 7 |
40 | 180 | 145 | 110 | 85 | 3 | 18 | 4-18 | 135 | 230 | 9 |
50 | 200 | 160 | 125 | 100 | 3.5 | 20 | 4-18 | 140 | 250 | 15 |
65 | 220 | 180 | 145 | 120 | 3.5 | 20 | 4-18 | 145 | 270 | 17 |
80 | 250 | 195 | 160 | 135 | 4 | 22 | 8-18 | 205 | 300 | 30 |
100 | 280 | 215 | 180 | 155 | 4 | 24 | 8-18 | 230 | 350 | 40 |
125 | 320 | 245 | 210 | 185 | 4 | 26 | 8-18 | 252 | 400 | 60 |
150 | 360 | 280 | 240 | 210 | 4 | 28 | 8-23 | 283 | 600 | 75 |
200 | 400 | 335 | 295 | 265 | 5 | 32 | 12-23 | 325 | 700 | 130 |
250 | 450 | 405 | 355 | 320 | 5 | 36 | 12-26 | 370 | 800 | 160 |
300 | 500 | 460 | 410 | 375 | 5 | 36 | 12-26 | 420 | 1000 | 220 |