國標/美標三通球閥

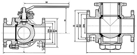
三通球閥外形尺寸圖
產品特點
1、兩閥座密封三通球閥結構緊湊、外型美觀、密封性能好。也能實現管道中介流向的切換。也能使相互垂直的兩個通道連通或關閉。
2、四閥座密封三通球閥造型美觀,結構緊湊合理,它不僅可實現介質流向的切換,也可使三個通道相互連通,同時也可關閉任一通道,使另外一通道連通,靈活控制管路中介質的合流或分流。
主要零件材料
零件名稱 | 材 質 | |
GB | ASTM | |
閥體、閥蓋 | WCB | A216-WCB |
密封圈 | PTFE、對位聚苯 | PTFE、對位聚苯 |
球體 | 1Cr18Ni9Ti | SS304 |
閥座、閥桿 | 2Cr13 | A246-416 |
雙頭螺栓 | 35CrMoA | A193-B7 |
主要性能范圍:
公稱壓力 | 試驗壓力(MPa) | |||
殼體 | 高壓液密封 | 體壓氣密封 | ||
1.6 | 2.4 | 1.76 | 0.6 | |
2.5 | 3.75 | 2.75 | ||
4.0 | 6.0 | 4.4 | ||
CLASS150 | 3.0 | 2.2 | ||
適用工況 | 適用介質 | 水、油品、氣等非腐蝕和酸堿腐蝕介質 | ||
適用溫度 | -28~350℃ | |||
應用規范 | 連接法蘭 | JB79-59、GB9113、HG20592-97、ANSI B16.5 | ||
檢驗試驗 | GB/T9092-99、API598 | |||
國標連接尺寸和外形 PN1.6MPa :
型號 | 公稱通徑DN(mm) | 尺寸(mm) | |||||||||
L | L2 | D | D1 | D2 | b | f | Z-d | H | W | ||
Q44F-16C | 15 | 150 | 72 | 95 | 65 | 45 | 14 | 2 | 4-14 | 95 | 130 |
20 | 160 | 80 | 105 | 75 | 55 | 14 | 2 | 4-14 | 110 | 130 | |
25 | 180 | 90 | 115 | 85 | 65 | 14 | 2 | 4-18 | 120 | 140 | |
32 | 200 | 100 | 135 | 100 | 78 | 16 | 2 | 4-18 | 144 | 180 | |
40 | 220 | 110 | 145 | 110 | 85 | 16 | 3 | 4-18 | 152 | 220 | |
50 | 240 | 120 | 160 | 125 | 100 | 16 | 3 | 4-23 | 182 | 220 | |
65 | 260 | 130 | 180 | 145 | 120 | 16 | 3 | 4-18 | 193 | 240 | |
80 | 280 | 140 | 195 | 160 | 135 | 20 | 3 | 8-18 | 217 | 270 | |
100 | 320 | 160 | 215 | 180 | 155 | 20 | 3 | 8-18 | 245 | 350 | |
125 | 380 | 190 | 245 | 210 | 185 | 22 | 3 | 8-18 | 282 | 500 | |
150 | 440 | 220 | 280 | 240 | 210 | 24 | 3 | 8-23 | 319 | 600 | |
200 | 550 | 260 | 335 | 295 | 265 | 26 | 3 | 12-23 | 380 | 1000 | |
250 | 670 | 310 | 405 | 355 | 320 | 30 | 3 | 12-25 | 460 | 1400 | |
300 | 720 | 370 | 460 | 410 | 375 | 30 | 3 | 12-25 | 520 | 1800 | |
美標連接尺寸和外形 150Lb :
公稱通徑DN | 尺寸(mm) | |||||||||
(in) | (mm) | L | D | D1 | D2 | b | f | Z-Φd | H | L0 |
1/2 | 15 | 140 | 89 | 60.5 | 35 | 10 | 1.6 | 4-Φ15 | 55 | 130 |
3/4 | 20 | 165 | 98 | 70 | 43 | 11 | 1.6 | 4-Φ15 | 55 | 130 |
1 | 25 | 165 | 108 | 79.5 | 51 | 12 | 1.6 | 4-Φ15 | 70 | 140 |
11/4 | 32 | 220 | 117 | 79 | 64 | 13 | 1.6 | 4-Φ15 | 75 | 180 |
11/2 | 40 | 250 | 127 | 98.5 | 73 | 15 | 1.6 | 4-Φ15 | 90 | 220 |
2 | 50 | 260 | 152 | 120.5 | 92 | 16 | 1.6 | 4-Φ19 | 104 | 260 |
21/2 | 65 | 320 | 178 | 139.5 | 105 | 18 | 1.6 | 4-Φ19 | 153 | 350 |
3 | 80 | 320 | 190 | 152.5 | 127 | 19 | 1.6 | 4-Φ19 | 187 | 400 |
4 | 100 | 370 | 229 | 190.5 | 157 | 24 | 1.6 | 8-Φ19 | 206 | 500 |
5 | 125 | 510 | 254 | 216 | 186 | 24 | 1.6 | 8-Φ22 | 252 | 600 |
6 | 150 | 510 | 279 | 241.5 | 216 | 26 | 1.6 | 8-Φ22 | 244 | 1000 |
8 | 200 | 580 | 373 | 298.5 | 270 | 29 | 1.6 | 8-Φ22 | 283 | 1300 |
10 | 250 | 670 | 406 | 362 | 324 | 31 | 1.6 | 12-Φ25 | 345 | 1600 |
12 | 300 | 720 | 483 | 432 | 381 | 32 | 1.6 | 12-Φ25 | 420 | 2100 |