三偏心多層次密封對夾蝶閥

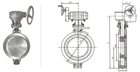
三偏心多層次密封對夾蝶閥產品圖 三偏心多層次密封對夾蝶閥外形尺寸圖
外形及連接尺寸D373- 6 / 10
DN | 主要外形尺寸及連接尺寸 | ||||||||
L | H | H1 | L1 | L2 | 0.6MPa | 1.0MPa | |||
D1 | Z-d | D1 | Z-d | ||||||
100 | 64 | 370 | 95 | 48 | 145 | 170 | 4-18 | 180 | 4-18 |
125 | 70 | 420 | 107 | 70 | 175 | 200 | 4-18 | 210 | 4-18 |
150 | 76 | 505 | 172 | 70 | 175 | 225 | 4-18 | 240 | 4-22 |
200 | 89 | 610 | 240 | 90 | 200 | 280 | 4-18 | 295 | 4-22 |
250 | 114 | 665 | 265 | 90 | 200 | 335 | 4-18 | 350 | 4-22 |
300 | 114 | 755 | 295 | 125 | 280 | 395 | 4-22 | 400 | 4-22 |
350 | 127 | 860 | 330 | 125 | 280 | 445 | 4-22 | 460 | 4-22 |
400 | 140 | 890 | 370 | 125 | 280 | 495 | 4-22 | 515 | 4-26 |
450 | 152 | 966 | 395 | 130 | 280 | 550 | 4-22 | 565 | 4-26 |
500 | 152 | 1040 | 430 | 130 | 280 | 600 | 4-22 | 620 | 4-26 |
600 | 154 | 1285 | 490 | 175 | 365 | 705 | 4-26 | 725 | 4-30 |
700 | 165 | 1395 | 545 | 175 | 365 | 810 | 4-26 | 840 | 4-30 |
800 | 190 | 1560 | 615 | 225 | 440 | 920 | 4-30 | 950 | 4-33 |
900 | 203 | 1700 | 700 | 225 | 440 | 1020 | 4-30 | 1050 | 4-33 |
1000 | 216 | 1865 | 715 | 290 | 490 | 1120 | 4-30 | 1160 | 4-36 |
1200 | 254 | 2125 | 865 | 290 | 490 | 1340 | 4-33 | 1380 | 4-39 |
1400 | 279 | 2340 | 950 | 290 | 490 | 1560 | 4-36 | 1590 | 4-42 |
1600 | 318 | 2580 | 1070 | 410 | 600 | 1760 | 4-36 | 1820 | 4-48 |
1800 | 356 | 2880 | 1200 | 500 | 600 | 1970 | 4-39 | 2020 | 4-48 |
2000 | 406 | 3200 | 1350 | 500 | 800 | 2180 | 4-42 | 2230 | 4-48 |
外形及連接尺寸D373-16/25
DN | 主要外形尺寸及連接尺寸 | ||||||||
L | H | H1 | L1 | L2 | PN1.6MPa | PN2.5MPa | |||
D1 | Z-d | D1 | Z-d | ||||||
100 | 64 | 370 | 95 | 48 | 145 | 180 | 4-18 | 190 | 4-22 |
125 | 70 | 420 | 107 | 70 | 175 | 210 | 4-18 | 220 | 4-26 |
150 | 76 | 505 | 172 | 70 | 175 | 240 | 4-22 | 250 | 4-26 |
200 | 89 | 610 | 240 | 90 | 200 | 295 | 4-22 | 310 | 4-26 |
250 | 114 | 665 | 265 | 90 | 200 | 355 | 4-26 | 370 | 4-30 |
300 | 114 | 755 | 295 | 125 | 280 | 410 | 4-26 | 430 | 4-30 |
350 | 127 | 860 | 330 | 125 | 280 | 470 | 4-26 | 490 | 4-33 |
400 | 140 | 890 | 370 | 125 | 280 | 525 | 4-30 | 550 | 4-36 |
450 | 152 | 966 | 395 | 130 | 280 | 585 | 4-30 | 600 | 4-36 |
500 | 152 | 1040 | 430 | 130 | 280 | 650 | 4-33 | 660 | 4-36 |
600 | 154 | 1285 | 490 | 175 | 365 | 770 | 4-36 | 770 | 4-39 |
700 | 165 | 1395 | 545 | 175 | 365 | 840 | 4-36 | 875 | 4-42 |
800 | 190 | 1560 | 615 | 225 | 440 | 950 | 4-39 | 990 | 4-48 |
900 | 203 | 1700 | 700 | 225 | 440 | 1050 | 4-39 | 1090 | 4-48 |
1000 | 216 | 1865 | 715 | 290 | 490 | 1170 | 4-42 | 1210 | 4-55 |
1200 | 254 | 2125 | 865 | 290 | 490 | 1390 | 4-48 | 1420 | 4-55 |
1400 | 279 | 2340 | 950 | 290 | 490 | 1590 | 4-48 | 1640 | 4-60 |
1600 | 318 | 2580 | 1070 | 410 | 600 | 1820 | 4-88 | 1860 | 4-60 |
1800 | 356 | 2880 | 1200 | 500 | 600 | 2020 | 4-55 | 2070 | 4-68 |
2000 | 406 | 3200 | 1350 | 500 | 800 | 2230 | 4-60 | 2300 | 4-68 |
外形及連接尺寸D373-40
DN | 主要外形尺寸及連接尺寸 | ||||||
L | D1 | H | H1 | L1 | L2 | Z-d | |
100 | 64 | 190 | 370 | 142 | 160 | 223 | 4-22 |
125 | 70 | 220 | 420 | 157 | 160 | 223 | 4-26 |
150 | 76 | 250 | 505 | 192 | 195 | 230 | 4-26 |
200 | 89 | 320 | 620 | 255 | 195 | 230 | 4-30 |
250 | 114 | 385 | 680 | 270 | 1955 | 300 | 4-33 |
300 | 114 | 450 | 770 | 350 | 250 | 635 | 4-33 |
350 | 127 | 510 | 885 | 375 | 250 | 635 | 4-36 |
400 | 140 | 585 | 910 | 420 | 250 | 635 | 4-39 |
450 | 152 | 610 | 980 | 440 | 250 | 635 | 4-39 |
500 | 152 | 670 | 1060 | 500 | 250 | 635 | 4-42 |
600 | 178 | 795 | 1315 | 550 | 295 | 680 | 4-48 |