水冷式超高溫蝶閥
結構特點及用途
該閥系我公司95年度新產品,并通過了國家科委鑒定。該閥采用優質耐熱鋼,閥板內腔通水冷卻,具有耗水量少、耐溫高、使用壽命長、操作維修方便、轉動靈活等特點可與各種電動執行器配套使用,實現遠距離控制和自動調節和切斷,廣泛應用于冶金、化工、建材、電站等行業的超高溫氣體管道中,作為介質流量調節和切斷使用。


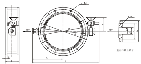
水冷式超高溫蝶閥產品圖 水冷式超高溫蝶閥外形尺寸圖

注:
1、本閥除上述配電動執行器外,還可與其它電動、氣動、液動、電液動執行器組合使用。
2、有關執行器原理、接線圖、技術參數見“附錄”。
3、本閥可按用戶要求設計制造(非水平布置的管道安裝請注明與地面夾角)。
4、整機質量為閥體質量+執行器質量。
5、需附件請注明(如伺服放大器、電動操作器、控制箱等)。
6、訂貨時注明:產品名稱、規格、型號、公稱壓力、適用溫度、泄漏率、輸入信號、安裝角度。
7、若需雙水冷蝶閥,請注明型號DSS 1 3型,連接尺寸同上表一樣。